- Açıklama
Açıklama
• YKS 1/4” 1.1 Bar Emniyet Ventili su, buhar, hava, yağ, azot, gibi akışkanlar ile çalışan sistemlerde 1.1 bar üstü basınç yükselmelerini güvenli ve hassas bir şekilde tahliye edebilmektedir.
• YKS Emniyet Ventilleri başlıca olarak Hava kompresörleri, basınçlı tanklar, mekanik tesisatlar, azot jeneratörleri, buhar jeneratörleri, endüstriyel makinalar, yangın söndürme sistemleri, yangın pompaları, medikal ve starilizasyon cihazları, arıtma sistemleri, araç üstü ekipmanlar, iş makinaları, raylı ulaşım araçları, ilaç sanayi, kozmetik sanayi, savunma sanayi, gıda sanayi, güneş enerji sistemleri, maden, petrol, endüstri, otomotiv, denizcilik, havacılık, demiryolu, inşaat gibi birçok benzeri sektörde yaygın olarak kullanılmaktadır.
1/4″ 1.1 Bar CE Belgeli Mühürlü Pirinç Emniyet Ventili
8,40 € + KDV
Ürün siparişleriniz de kullanım alanının belirtilmesini rica ederiz.
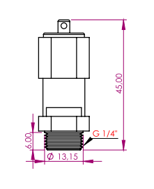
1/4” 1.1 BAR CE BELGELİ MÜHÜRLÜ PİRİNÇ EMNİYET VENTİLİ TEKNİK ÖZELLİKLERİ
| ÜRÜN KODU | : | YKS-311 |
| BAĞLANTI ÖLÇÜSÜ | : | G 1/4” ( BSPP 55° ) |
| TAHLİYE BASINCI | : | 1.1 BAR |
| PAKET MİKTARI | : | 10 ADET |
| GÖVDE MALZEME | : | PİRİNÇ (MS 58) |
| YAY KALİTE | : | PASLANMAZ |
| SIZDIRMAZLIK | : | SİLİKON |
| SIZDIRMAZLIK OPSİYONEL | : | VİTON – TEFLON – NİTRİL |
| ORİFİS ÇAPI | : | 6.8 mm |
| ÇALIŞMA SICAKLIĞI | : | – 50 ° / +250 ° |
| MAKSİMUM AÇMA DEĞERİ | : | + %7 |
| KAPATMA BASINÇ DEĞERİ | : | – %20 |
| GÖVDE DİZAYN BASINCI | : | 50 BAR (725 PSİ) |
| STANDART | : | TS EN 13445-3 |
| DİREKTİF | : | 2014/68 EU |
| GENEL KULLANIM ALANLARI | : | HAVA – SU – BUHAR – YAĞ |
| ÖZEL SIVI KULLANIM ALANLARI | : | AŞINDIRICI OLMAYAN SIVILAR |
| ÖZEL GAZ KULLANIM ALANLARI | : | TEHLİKESİZ GAZLAR |
| DIŞ ÇAP | : | 17 mm (15 ALTI KÖŞE) |
| BOY | : | 45 mm |
| AĞIRLIK | : | 40 GR |
Standart Diş Tipi: Whitworth Paralel Boru Dişi (DIN ISO 228, BSPP – British Standard Pipe Parallel), 55° standartlarına uygundur.
Opsiyonel Olarak: NPT diş üretilebilmektedir (Adet odaklı fiyat farkı uygulanmaktadır).
Ürünlerimiz teknik özellikleri ve seri no bulunan sertifika ile teslim edilmektedir.
Ürünlerimiz 2014/68 EU Basınçlı Ekipmanlar Yönetmenliğe uygun CE Belgesine sahiptir.










